Description
Selection Guide of GHM Gear Motor Reducer (Gearbox)

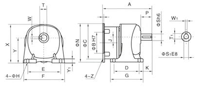
Model Selection Guide of GHM Gear Motor Reducer (Gearbox) with Foot Mounting
Optional Models of GHM Gear Motor Reducer (Gearbox)
| GHM Model (Horizontal Foot Mount) |
|---|
![]() |
Mounting Dimension Sheet of GHM Gear Motor Reducer (Gearbox)
| Power (kw) | Model | Reduction Ratio | Primary Outline & Mounting Dimension | |||||||||||||||||||||||
|---|---|---|---|---|---|---|---|---|---|---|---|---|---|---|---|---|---|---|---|---|---|---|---|---|---|---|
| A | B | C | D | E | F | G | H | J | K | L | N | P | S | S₁ | T | T₁ | W | W₁ | X | Y | Y₁ | Z | S₁ | |||
| 0.1 | 18 | 5, 10, 15, 20, 25, 30, 40, 50 | 147 | 95 | 115 | 40 | 110 | 135 | 65 | 9 | 16.5 | 45 | 4.5 | 140 | 30 | 18 | 11 | 20.5 | 12.8 | 6 | 4 | 138.5 | 90 | 10 | M8 | 12 |
| 22 | 60, 80, 100, 120, 160, 200 | 173 | 95 | 115 | 65 | 130 | 154 | 90 | 11 | 19 | 55 | 4.5 | 140 | 40 | 22 | 11 | 24.5 | 12.8 | 6 | 4 | 141 | 91.5 | 12 | M8 | 12 | |
| 0.2 | 18 | 5, 10, 15, 20, 25 | 147 | 95 | 115 | 40 | 110 | 135 | 65 | 9 | 16.5 | 45 | 4.5 | 140 | 30 | 18 | 11 | 20.5 | 12.8 | 6 | 4 | 138.5 | 90 | 10 | M8 | 12 |
| 22 | 30, 40, 50, 60, 80, 100 | 173 | 95 | 115 | 65 | 110 | 154 | 90 | 11 | 19 | 55 | 4.5 | 140 | 40 | 22 | 11 | 24.5 | 12.8 | 6 | 4 | 141 | 91.5 | 12 | M8 | 12 | |
| 28 | 100, 120, 160, 200 | 186.5 | 95 | 115 | 90 | 140 | 175 | 125 | 11 | 23.5 | 65 | 4.5 | 140 | 45 | 28 | 11 | 31 | 12.8 | 8 | 4 | 170 | 116.5 | 15 | M8 | 12 | |
| 0.4 | 22 | 5, 10, 15, 20, 25 | 181.5 | 110 | 130 | 65 | 130 | 154 | 90 | 11 | 19 | 55 | 4.5 | 160 | 40 | 22 | 14 | 24.5 | 16.3 | 6 | 5 | 151 | 91.5 | 12 | M8 | 15 |
| 28 | 30, 40, 50, 60, 80, 100 | 198 | 110 | 130 | 90 | 140 | 175 | 125 | 11 | 23.5 | 65 | 4.5 | 160 | 45 | 28 | 14 | 31 | 16.3 | 8 | 5 | 170 | 116.5 | 15 | M8 | 15 | |
| 32 | 100, 120, 160, 200 | 217 | 110 | 130 | 130 | 170 | 208 | 110 | 13 | 28.5 | 70 | 4.5 | 160 | 55 | 32 | 14 | 35 | 16.3 | 10 | 5 | 198 | 138 | 18 | M8 | 15 | |
| 0.75 | 28 | 5, 10, 15, 20, 25 | 206.5 | 130 | 165 | 90 | 140 | 175 | 125 | 11 | 23.5 | 65 | 4.5 | 200 | 45 | 28 | 19 | 31 | 21.8 | 8 | 6 | 186.5 | 116.5 | 15 | M10 | 20 |
| 32 | 30, 40, 50, 60, 80, 100 | 235 | 130 | 165 | 130 | 170 | 206 | 170 | 13 | 28.5 | 70 | 4.5 | 200 | 55 | 32 | 19 | 35 | 21.8 | 10 | 6 | 201.5 | 138 | 18 | M10 | 20 | |
| 40 | 100, 120, 160, 200 | 260.5 | 130 | 165 | 150 | 210 | 254 | 196 | 15 | 34 | 90 | 4.5 | 200 | 65 | 40 | 19 | 43 | 21.8 | 12 | 8 | 230 | 160 | 20 | M10 | ||
| 1.5 | 32 | 5, 10, 15, 20, 25, 30, 50, 100 | 252 | 130 | 165 | 130 | 170 | 208 | 170 | 13 | 28.5 | 70 | 4.5 | 200 | 55 | 32 | 24 | 35 | 27.3 | 10 | 8 | 201.5 | 138 | 18 | M10 | 25 |
| 40 | 30, 40, 50, 60, 80, 100, 150 | 293.5 | 130 | 165 | 150 | 210 | 254 | 196 | 15 | 34 | 90 | 4.5 | 200 | 65 | 40 | 24 | 43 | 27.3 | 12 | 8 | 230 | 160 | 20 | M10 | ||
| 2.2 | 40 | 5, 10, 15, 20, 25, 30, 50 | 290 | 180 | 215 | 150 | 210 | 254 | 196 | 15 | 34 | 90 | 5.5 | 250 | 65 | 40 | 28 | 43 | 31.3 | 12 | 8 | 230 | 160 | 20 | M12 | |






